Оборудован комплектами "Один контроллер на два станка" и “Один кран-манипулятор на два станка”.
Особенности станка C320KTT:
1. Применяемые стандарты:
- GB9061-1988: Общие технические условия для металлообрабатывающих станков
- GB5226.1-2002: Безопасность машин и оборудования — Электрическое оборудование машин. Часть 1. Общие технические требования
- JB/T10051-1999: Общие технические условия для гидравлических систем металлообрабатывающих станков
- GB/T16462-1996: Проверка горизонтальных токарных станков с ЧПУ
(За исключением технических спецификаций, все не указанные нормы должны соответствовать последним версиям соответствующих стандартов.)
2. Основное назначение оборудования:
Станок может автоматически выполнять обработку различных валов и дисков, включая цилиндрические поверхности, конические поверхности, дуговые поверхности, торцевые поверхности, пазки, фаски и т.д. Кроме того, он может нарезать метрическую прямую резьбу, торцевую резьбу, дюймовую прямую резьбу и коническую резьбу, а также выполнять другие виды точения.
3. Основные конструктивные особенности станка:
3.1 Станина
Используется интегрированная литая станина с наклоном 45° и круглой камерой из высококачественного чугунного сплава. Конструкция обеспечивает высокую жесткость и устойчивость к вибрациям, а также плавное удаление стружки.
3.2 Шпиндельный узел
Подшипники шпинделя изготовлены с использованием высококачественных точных подшипников. Применяется сервосинхронный электрошпиндель с высоким крутящим моментом и плавным изменением мощности. Подшипники шпиндельного узла состоят из двухрядных цилиндрических роликовых подшипников и двухсторонних упорных конических подшипников, что обеспечивает высокую жесткость. Структурный дизайн обеспечивает уменьшение тепловой деформации шпинделя, что сохраняет стабильность оси шпинделя при длительной работе.
3.3 Система подачи
Сервомоторы осей X и Z соединены с прецизионным шариковым винтом через эластичную муфту, обеспечивающую высокую точность. Оба конца шарикового винта закреплены для увеличения жесткости опорного узла, что минимизирует кручение винта при высокой скорости и сильных нагрузках. Используются специальные пара подшипников с угловым контактом под углом 60 градусов для шариковых винтов, обеспечивающих высокую скорость и точность.
3.4 Суппорт
В трансмиссии используются линейные направляющие скольжения пр-ва Тайвань для удовлетворения требований высокой скорости и эффективности, снижения трения и температурной деформации. Что обеспечивает лучшую точность обработки и долговременную стабильность точности.
3.5 Инструментальная головка
На станке серии C320KTT установлены гидравлические сервоинструментальные головы с 8-12 позициями. Которые обеспечиваюь быструю индексацию и высокую точность позиционирования, отличную жесткость. Головка поддерживает подачу воды через центр инструмента с высоким давлением. Емкость бака для воды достаточна для предотвращения перерывов в подаче воды при обработке, имеется система фильтрации с высокой точностью, что значительно расширяет функциональность станка и повышает его адаптивность для обработки различных деталей.
3.6 Гидравлическая система
Гидравлический патрон и гильза задней бабки управляются программно, а также ножным управлением для удобства. Регулировка гидравлического давления осуществляется панелью с поворотными ручками и отображением на циферблате, что безопасно и удобно для эксплуатации.
3.7 Система смазки
В станке применена автоматическая централизованная система смазки с подачей масла в установленное время и количестве. Распределители масла регулируют давление подачи масла для различных элементов станции, чтобы обеспечить достаточную смазку всех узлов (таких как направляющие, вкладыши, шариковые винты, гайки и т.д.). Предусмотрена функция сигнализации системы смазки.
3.8 Система охлаждения.
На наклонных токарных станках с ЧПУ используется полная защита направляющих, бак для охлаждения и система удаления стружки отделены от основной машины, что обеспечивает сохранение точности станка, не затронутую тепловыми влияниями.
3.9 Электрическая система
Электрораспределительный шкаф станка обладает хорошей герметичностью и оснащен кондиционером для обеспечения нормальной работы системы ЧПУ в условиях повышенной температуры и влажности.
3.10 Меры предотвращения ударов
На опорах осей в крайних положениях установлены резиновые амортизирующие устройства для двойных шариковых винтов для защиты от несчастных случаев.
3.11 Защитные меры
Полномасштабная внутренняя и наружная защита из листового металла толщиной не менее 2 мм. При работе станка не происходит деформаций и вибраций. Внутренняя защита направляющих, винтов и подшипников выполнена из нержавеющей стали. Удобная система удаления стружки и очистки станка.
Особенности станка C320KTT:
1. Применяемые стандарты:
- GB9061-1988: Общие технические условия для металлообрабатывающих станков
- GB5226.1-2002: Безопасность машин и оборудования — Электрическое оборудование машин. Часть 1. Общие технические требования
- JB/T10051-1999: Общие технические условия для гидравлических систем металлообрабатывающих станков
- GB/T16462-1996: Проверка горизонтальных токарных станков с ЧПУ
(За исключением технических спецификаций, все не указанные нормы должны соответствовать последним версиям соответствующих стандартов.)
2. Основное назначение оборудования:
Станок может автоматически выполнять обработку различных валов и дисков, включая цилиндрические поверхности, конические поверхности, дуговые поверхности, торцевые поверхности, пазки, фаски и т.д. Кроме того, он может нарезать метрическую прямую резьбу, торцевую резьбу, дюймовую прямую резьбу и коническую резьбу, а также выполнять другие виды точения.
3. Основные конструктивные особенности станка:
3.1 Станина
Используется интегрированная литая станина с наклоном 45° и круглой камерой из высококачественного чугунного сплава. Конструкция обеспечивает высокую жесткость и устойчивость к вибрациям, а также плавное удаление стружки.
3.2 Шпиндельный узел
Подшипники шпинделя изготовлены с использованием высококачественных точных подшипников. Применяется сервосинхронный электрошпиндель с высоким крутящим моментом и плавным изменением мощности. Подшипники шпиндельного узла состоят из двухрядных цилиндрических роликовых подшипников и двухсторонних упорных конических подшипников, что обеспечивает высокую жесткость. Структурный дизайн обеспечивает уменьшение тепловой деформации шпинделя, что сохраняет стабильность оси шпинделя при длительной работе.
3.3 Система подачи
Сервомоторы осей X и Z соединены с прецизионным шариковым винтом через эластичную муфту, обеспечивающую высокую точность. Оба конца шарикового винта закреплены для увеличения жесткости опорного узла, что минимизирует кручение винта при высокой скорости и сильных нагрузках. Используются специальные пара подшипников с угловым контактом под углом 60 градусов для шариковых винтов, обеспечивающих высокую скорость и точность.
3.4 Суппорт
В трансмиссии используются линейные направляющие скольжения пр-ва Тайвань для удовлетворения требований высокой скорости и эффективности, снижения трения и температурной деформации. Что обеспечивает лучшую точность обработки и долговременную стабильность точности.
3.5 Инструментальная головка
На станке серии C320KTT установлены гидравлические сервоинструментальные головы с 8-12 позициями. Которые обеспечиваюь быструю индексацию и высокую точность позиционирования, отличную жесткость. Головка поддерживает подачу воды через центр инструмента с высоким давлением. Емкость бака для воды достаточна для предотвращения перерывов в подаче воды при обработке, имеется система фильтрации с высокой точностью, что значительно расширяет функциональность станка и повышает его адаптивность для обработки различных деталей.
3.6 Гидравлическая система
Гидравлический патрон и гильза задней бабки управляются программно, а также ножным управлением для удобства. Регулировка гидравлического давления осуществляется панелью с поворотными ручками и отображением на циферблате, что безопасно и удобно для эксплуатации.
3.7 Система смазки
В станке применена автоматическая централизованная система смазки с подачей масла в установленное время и количестве. Распределители масла регулируют давление подачи масла для различных элементов станции, чтобы обеспечить достаточную смазку всех узлов (таких как направляющие, вкладыши, шариковые винты, гайки и т.д.). Предусмотрена функция сигнализации системы смазки.
3.8 Система охлаждения.
На наклонных токарных станках с ЧПУ используется полная защита направляющих, бак для охлаждения и система удаления стружки отделены от основной машины, что обеспечивает сохранение точности станка, не затронутую тепловыми влияниями.
3.9 Электрическая система
Электрораспределительный шкаф станка обладает хорошей герметичностью и оснащен кондиционером для обеспечения нормальной работы системы ЧПУ в условиях повышенной температуры и влажности.
3.10 Меры предотвращения ударов
На опорах осей в крайних положениях установлены резиновые амортизирующие устройства для двойных шариковых винтов для защиты от несчастных случаев.
3.11 Защитные меры
Полномасштабная внутренняя и наружная защита из листового металла толщиной не менее 2 мм. При работе станка не происходит деформаций и вибраций. Внутренняя защита направляющих, винтов и подшипников выполнена из нержавеющей стали. Удобная система удаления стружки и очистки станка.
Технические параметры станка C320KTT:
Комплектация C320KTT:
В комплекте техническая документация:
1. Инструкция по эксплуатации станка
2. Руководство пользователя ЧПУ-системы
3. Руководство по обслуживанию ЧПУ-системы
4. Схема гидравлики
5. Электрическая принципиальная схема, схема подключения, лестничная диаграмма, таблица настроек параметров
6. Диск с параметрами станка (опционально)
7. Сертификат проверки точности станка
8. Руководство по эксплуатации гидравлического патрона
9. Руководство по эксплуатации револьверной головки
1. Инструкция по эксплуатации станка
2. Руководство пользователя ЧПУ-системы
3. Руководство по обслуживанию ЧПУ-системы
4. Схема гидравлики
5. Электрическая принципиальная схема, схема подключения, лестничная диаграмма, таблица настроек параметров
6. Диск с параметрами станка (опционально)
7. Сертификат проверки точности станка
8. Руководство по эксплуатации гидравлического патрона
9. Руководство по эксплуатации револьверной головки
Описание конструкции:
Настоящий проект предназначен для обеспечения одной парой токарных станков с портальными манипуляторами для автоматической обработки деталей на токарном станке с передней и задней шпиндельной бабкой, указанном Заказчиком, модели Dongbu CNC 320KTT;
Требования к станку: станок должен быть оснащен задним транспортёром стружки; реализовывать обработку деталей, автоматическое зажимание, автоматическое охлаждение; станок должен быть оборудован автоматической крышкой (подъёмная крыша); станок должен быть способен очищать стружку на патроне, стружка не должна наматываться на патрон, попадать внутрь и на инструмент;
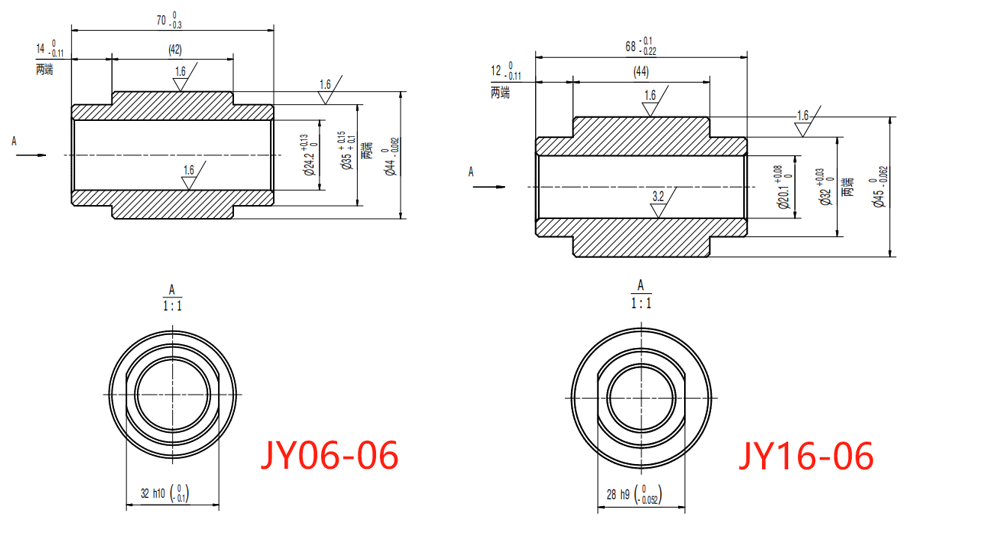
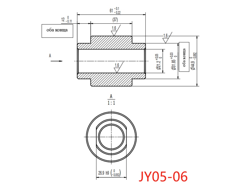
Продукция для обработки: внешний корпус JY05-06, внешний корпус JY06-06, внешний корпус JY16-06; ниже на изображении.
Настоящий проект предназначен для обеспечения одной парой токарных станков с портальными манипуляторами для автоматической обработки деталей на токарном станке с передней и задней шпиндельной бабкой, указанном Заказчиком, модели Dongbu CNC 320KTT;
Требования к станку: станок должен быть оснащен задним транспортёром стружки; реализовывать обработку деталей, автоматическое зажимание, автоматическое охлаждение; станок должен быть оборудован автоматической крышкой (подъёмная крыша); станок должен быть способен очищать стружку на патроне, стружка не должна наматываться на патрон, попадать внутрь и на инструмент;
Продукция для обработки: внешний корпус JY05-06, внешний корпус JY06-06, внешний корпус JY16-06; ниже на изображении.
Выбор типа и конфигурации фермы в соответствии с характеристиками продукта:
Спецификация горизонтальных балок манипулятора: прямоугольная труба 100мм*200мм, Спецификация основной стойки: прямоугольная труба 100мм*150мм;
Подробное решение представлено на следующем изображении:
Подробное решение представлено на следующем изображении:
Токарный станок и робот 2D макет
Общая таблица описания программы
Промежуточный поддон-хранилище (Размер поддона 480*1050, количество хранимых предметов приблизительно 78 штук * 2 поддона)
Поворотное устройство
Концевой зажимной модуль
Изображение предоставлено только для справки. Реальный станок может иметь конструктивные особенности.Операционные процедуры:
1. Поместите обрабатываемый продукт на поддон стеллажа.
2. Две платформы в верхнем и нижнем слоях бункера могут перемещаться вперед и назад, манипулятор поочередно изымает обрабатываемые продукты с поддона рабочего места захвата.
3. Гантельный манипулятор перемещается к поддону на рабочем месте захвата и захватывает обрабатываемый продукт.
4. Гантельный манипулятор перемещается к станку OP10 для замены материала, извлекает обработанную деталь и устанавливает обрабатываемую деталь.
5. Гантельный манипулятор перемещается к устройству поворота для переворота полуфабриката и повторного захвата.
6. Гантельный манипулятор перемещается к станку OP20 для замены материала, извлекает обработанную деталь и устанавливает обрабатываемую деталь.
7. Гантельный манипулятор извлекает готовое изделие из станка OP20 и перемещается к поддону захвата, чтобы поместить обработанное изделие обратно на поддон.
8. Гантельный манипулятор повторяет действия для обеспечения непрерывного автоматического производства.
1. Поместите обрабатываемый продукт на поддон стеллажа.
2. Две платформы в верхнем и нижнем слоях бункера могут перемещаться вперед и назад, манипулятор поочередно изымает обрабатываемые продукты с поддона рабочего места захвата.
3. Гантельный манипулятор перемещается к поддону на рабочем месте захвата и захватывает обрабатываемый продукт.
4. Гантельный манипулятор перемещается к станку OP10 для замены материала, извлекает обработанную деталь и устанавливает обрабатываемую деталь.
5. Гантельный манипулятор перемещается к устройству поворота для переворота полуфабриката и повторного захвата.
6. Гантельный манипулятор перемещается к станку OP20 для замены материала, извлекает обработанную деталь и устанавливает обрабатываемую деталь.
7. Гантельный манипулятор извлекает готовое изделие из станка OP20 и перемещается к поддону захвата, чтобы поместить обработанное изделие обратно на поддон.
8. Гантельный манипулятор повторяет действия для обеспечения непрерывного автоматического производства.
Основная конфигурация
Мы производим сотни разновидностей металлообрабатывающих центров и станков ЧПУ с 2004 года:
ТОКАРНЫЕ СТАНКИ
СТАНКИ ЧПУ С НАКЛОННОЙ СТАНИНОЙ
КРУГЛОПИЛЬНЫЕ СТАНКИ ЧПУ
ВЕРТИКАЛЬНЫЕ СТАНКИ ЧПУ
ВЕРТИКАЛЬНЫЕ ОБРАБАТЫВАЮЩИЕ ЦЕНТРЫ
ГОРИЗОНТАЛЬНЫЕ ОБРАБАТЫВАЮЩИЕ ЦЕНТРЫ
ФРЕЗЕРНО-СВЕРЛИЛЬНЫЕ СТАНКИ С ЧПУ
СТАНКИ ДЛЯ ГЛУБОКОГО СВЕРЛЕНИЯ
СВЕРЛИЛЬНЫЕ СТАНКИ С ЧПУ
ЛАЗЕРНЫЕ СТАНКИ С ЧПУ
ПЛОСКОШЛИФОВАЛЬНЫЕ СТАНКИ
CТАНКИ ДЛЯ ОБРАБОТКИ ПЛАСТИН
ТОКАРНЫЕ СТАНКИ
СТАНКИ ЧПУ С НАКЛОННОЙ СТАНИНОЙ
КРУГЛОПИЛЬНЫЕ СТАНКИ ЧПУ
ВЕРТИКАЛЬНЫЕ СТАНКИ ЧПУ
ВЕРТИКАЛЬНЫЕ ОБРАБАТЫВАЮЩИЕ ЦЕНТРЫ
ГОРИЗОНТАЛЬНЫЕ ОБРАБАТЫВАЮЩИЕ ЦЕНТРЫ
ФРЕЗЕРНО-СВЕРЛИЛЬНЫЕ СТАНКИ С ЧПУ
СТАНКИ ДЛЯ ГЛУБОКОГО СВЕРЛЕНИЯ
СВЕРЛИЛЬНЫЕ СТАНКИ С ЧПУ
ЛАЗЕРНЫЕ СТАНКИ С ЧПУ
ПЛОСКОШЛИФОВАЛЬНЫЕ СТАНКИ
CТАНКИ ДЛЯ ОБРАБОТКИ ПЛАСТИН
